型 號:WS-U型TIRROLLER搬運小坦克
規 格:2噸-10噸TIRROLLER搬運小坦克
公司名稱:日本TIRROLLER搬運小坦克
保質周期:12
價 格(≤ 1) ¥電議 /臺
優惠價格(≥ 5):電議


◆WS-U型直行搬運小坦克屬于超低型搬運小坦克,重量輕,框架耐用,安全性高;
◆WS-U型直行搬運小坦克采用鋼制表面,穩定性強,轉盤可靈活調整方向,不損壞地板;
◆此款搬運小坦克采用聚氨酯輪,不損傷地面,承載力和耐磨性能好。
日本TIRROLLER直行搬運小坦克用于工廠等設施搬運、轉運、就位,機床,拋光機,刨床的安裝/移動工作或改變工廠布局,運輸大型機械設備,大型變壓器和鍋爐的運動和安裝,空調設備,污染控制設備的移動和安裝,住房等的建設,房屋的運輸,鋼制家具的移運,適用于各種小型、中型、大型、重型設備集裝箱等重物的搬運。

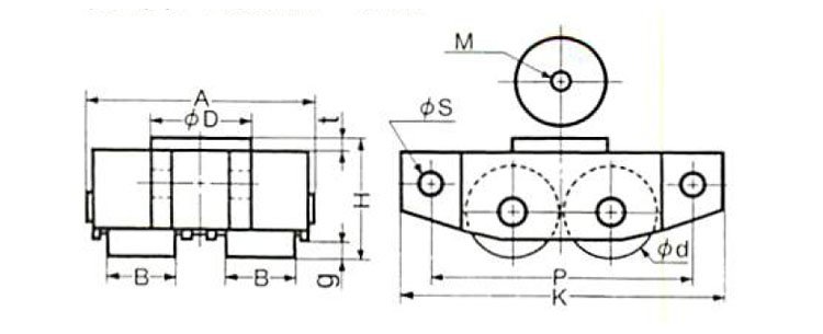
WS-U型直行搬運小坦克尺寸圖:

|
?型 ??????號 |
WS-2U |
WS-3U |
WS-5U |
WS-8U |
WS-10U |
||
|
? 安? 全 載 ??荷(t) |
2 |
3 |
5 |
8 |
10 |
||
|
???自?????????重(kg) |
5 |
8 |
16 |
29 |
35 |
||
|
移動阻力 |
鋼板路面 |
0.05 |
0.05 |
0.05 |
0.05 |
0.05 |
|
|
? |
混凝土路面 |
0.07 |
0.07 |
0.07 |
0.07 |
0.07 |
|
|
? ? |
A |
156 |
176 |
225 |
275 |
295 |
|
|
K |
270 |
310 |
245 |
400 |
425 |
||
|
P |
220 |
250 |
285 |
340 |
365 |
||
|
H |
63 |
77 |
96 |
119 |
129 |
||
|
g |
12 |
14 |
14 |
24 |
19 |
||
|
?S |
21 |
26 |
26 |
31 |
31 |
||
|
? |
型式 |
聚氨酯 |
|||||
|
個數 |
4 |
4 |
4 |
4 |
4 |
||
|
?d |
46 |
60 |
75 |
95 |
105 |
||
|
B |
55 |
65 |
85 |
110 |
120 |
||
|
轉盤 |
?D |
125 |
150 |
180 |
240 |
240 |
|
|
t |
6 |
6 |
9 |
9 |
9 |
||
|
M |
M16 |
M16 |
M20 |
M20 |
M20 |
||
|
專用手柄(可選) |
PH-20 |
PH-25 |
PH-25 |
PH-30 |
PH-30 |
||

TIRROLLER WS-U型直行搬運小坦克為日本原裝進口產品,保質1年,我公司承諾凡是客戶在我公司定購的進口類產品均為原裝正品,絕不存在拆件貨,換件貨,假冒品牌產品,凡客戶從我公司訂購該品牌產品如收到貨物時發現有拆件貨,換件貨,假冒、假貨仿貨均以100倍金額賠償。